Specialfackverk

Varje takstol är unik. Våra specialfackverk tillverkas enligt dina unika önskemål när det gäller spännvidd, höjd, taklutning och diagonal delning.

Till specialfackverk räknar vi bland annat pulpetfackverk, motfallsfackverk och bågfackverk, som vi tillverkat med fri spännvidd på 90 meter.

MAKU fackverksbalkar tillverkas alltid enligt kundens önskemål i varje enskilt fall beträffande spännvidd, höjd, taklutning och diagonal delning.

  • Specialfackverk 900X1000 13571367

Certifiering

MAKU Stål är certifierat enligt EN 1090, vilket innebär att vi uppfyller de strikta krav som ställs på bärande stålkonstruktioner enligt denna standard. Alla våra fackverk är CE-märkta.

Kulörer & Behandling

Förbehandling: Slungrensning efter svetsning. 
Färdigbehandling: Sprutmålning direkt efter blästring. Beträffande MAKUs standardfärger, se separat sida för ytbehandling.

Kontroll

Tillverkningskontroll sker enligt de regler som beskrivs i annex ZA till de harmoniserade europastandarderna EN 1090-1:2009+A1:2011 
och EN 1090-2:2018+A1:2024. Detta garanterar att alla våra fackverk uppfyller de högsta kvalitets- och säkerhetskraven. 

Konstruktionsservice

För att kunna välja rätt balk behöver du först göra en behovsanalys och ta fram nödvändiga indata. Med dessa kan du själv använda vårt dimensioneringsverktyg, eller ta hjälp av MAKUs experter för att hitta den bästa lösningen för dig och ditt projekt. Kontakta oss så hjälper vi dig vidare.

Kontakt

Vi hjälper dig att
välja rätt

Att välja rätt fackverksbalk handlar om att förstå de specifika krav som projektet ställer. Vi hjälper dig att välja rätt lösning baserat på faktorer som last, spännvidd och byggstandarder.

Fackverkskola
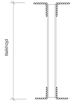
Specialfackverk Ritning 1200X224
Hu-mått: Mått från överkant upplag till underkant underarm. Teor. spännvidd: Beteckning avståndet mellan mittpunkterna på upplagen, även ”cc upplag”.
  • Dimensionering
  • Inklädnad
  • Förankringsdetaljer
  • Ytbehandling
Dimensionering

Dimensionering

Dimensioneringsverktyg

 

Följande indata måste man veta:

  1. Teoretisk spännvidd fackverk

  2. Belastningsbredd

  3. Taklutning

  4. Takbeläggning

    Vid åstak avstånd mellan takåsar.

  5. Snözon

    Snözonerna finns i EKS. Snözonen bestäms av geografiskt läge. Dessa varierar från 1.0 till 5.5 i Sverige.

  6. Installationer

    Extra laster från telfer, solceller, belysning, ventilationsrör, eller dyl.

  7. Vindlast

    Styrs av byggnadens höjd och geografiska läge.

  8. Säkerhetsklass

    Samtliga dimensioneringstabeller är upprättade enligt SK3.

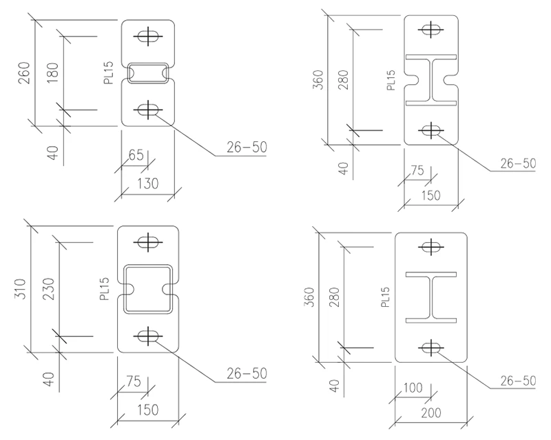
Uppslagsdetaljer

Upplagsplåtar

Upplagsplåtar

Sektioner

Beteckning

Beteckningsförklaring

MAKU

SU16

Lutning 1:16

100

Övre ramstång
L 100-100-10

-

90

Undre ramstång
L 90-90-9

-

65

Diagonal U65

-

760

Upplagshöjd

MAKU SU16 100-90-65-760

Nedböjning

Fackverksbalken överhöjs normalt för egenvikt tak + halv reducerad snölast.

Sidostabilitet under montage

Takbalkar med spännvidd större än ca. 15 m måste normalt stabiliseras med provisorisk stagning under montagetiden. Vid bristfällig stagning kan vindlast eller snedställningskrafter av stor vertikallast (exempelvis lättbetongelement) förorsaka ras av hela eller delar av byggnaden. Om tillfällig stagning krävs, beror omfattningen av denna på monteringsordningen och hur den färdiga konstruktionen är stabiliserad. Stagningsföreskrifter anges på MAKUs ritningar. 

Åstak

Övre ramstångs sidostabilitet måste alltid beaktas. Ramen antages vara sidostagad av takbeläggningen (takplåt, takåsar etc.) Dimensioneringstabellerna är upprättade för jämnt utbredd last, samt för några olika åsdelningar per spännvidd. Fackverkets knutpunkter måste alltid anpassas till åsdelningen. Annan åsdelning än den som är angiven i tabellen kan naturligtvis förekomma, välj i så fall närmast högre åsdelning för att vara på säkra sidan. 

Vindlast

När den uppåtriktade vindlasten är större än takets egenvikt blir den undre ramstången tryckt. Ramens sidostabilitet måste då kontrolleras. I de flesta fall löser man denna stabilitet genom inspänning av balken i takplåten eller takåsarna. Denna kontroll av fästdon utförs av MAKUs konstruktionskontor.

Inklädnad

Exempel på fasad- och takinklädnad för sadelfackverk

MAKU STÅL AB är certifierad enligt EN 1090. Det ger dig som kund ett intyg på att de krav som ställs på bärande stålkonstruktioner i EN 1090 uppfylls. Alla fackverk CE-märks.

Isolerad byggnad med papptak och plåtfasad.

Isolerad byggnad med papptak och plåtfasad.

Isolerad byggnad med papptak och plåtelement.

Isolerad byggnad med papptak och plåtelement.

Isolerad byggnad med sandwichelement.

Isolerad byggnad med sandwichelement.

Isolerad byggnad med plåttak och plåtfasad.

Isolerad byggnad med plåttak och plåtfasad.

Oisolerad byggnad.

Oisolerad byggnad.

Förankringsdetaljer

Förankringsdetaljer

Läs mer om förankringsdetaljer som infästningar, träåsar och vindpelare. Komponenter som är avgörande för att säkerställa att fackverkskonstruktioner får rätt stabilitet och hållfasthet.

Infästning av högprofilplåten mot i  takstol görs med självgängande  skruv eller skjutspik. Placering görs i sicksack  längs takstolen för  att öka stabiliteten.

Infästning av högprofilplåten mot i takstol görs med självgängande skruv eller skjutspik. Placering görs i sicksack längs takstolen för att öka stabiliteten.

Kallformade profiler monteras med sjävgängande skruv i åsfäste.

Kallformade profiler monteras med sjävgängande skruv i åsfäste.

Träåsar monteras i åsfäste med genomgående M12 skruv.

Träåsar monteras i åsfäste med genomgående M12 skruv.

Vindpelare som förankras i sida på fackverken ska ha en rörlig infästning. Infästningsdetaljen i fackverken har avlånga hål.

Vindpelare som förankras i sida på fackverken ska ha en rörlig infästning. Infästningsdetaljen i fackverken har avlånga hål.

Ytbehandling

Ytbehandling

Makus stålkonstruktioner rostskyddsmålas direkt efter slungrensningen och färdigmålas till valfri miljöklass. Färgkarta med Makus standardkulörer skickas på begäran. Följande kulörer finns. Observera att det inte går att återge exakta färger på skärm.

Mörkröd

NCS 5040-Y80R

Ljusblå

NCS S 3030-B10G

Blå

NCS S 4550-B

Orange

NCS S 3060-Y80R

Vit

NCS S 0502-Y

Grå

NCS S 3500

Rostskyddssystem

Även andra rostskyddssystem kan erhållas efter överenskommelse.

Korrosivitetsklass

Miljöns korrosivitet

C1

Mycket låg

C2

Låg

C3

Måttlig

Exempel på typiska miljöer - Utomhus - Atmosfärer med låga halter luftföroreningar. Lantliga områden. Atmosfärer med viss mängd salt eller måttliga mängder luftföroreningar. Stadsområden och lätt industrialiserade områden. Områden med visst inflytande från kusten.
Inomhus Uppvärmda utrymmen med torr luft och obetydliga mängder föroreningar, t.ex. kontor, affär, skolor, hotell. Icke uppvärmda utrymmen med växlande temperatur och fuktighet. Låg frekvens av luftkondensation och låg halt luftföroreningar, t.ex. sporthallar, lagerlokaler. Utrymmen med måttlig fuktighet och viss mängd luftföroreningar från produktionsprocesser, t.ex. bryggerier, mejerier, tvätterier.
Rostskyddssystem - C2.01 / C2.02 C3.02
Färgtyp Alkyd Alkyd Alkyd
Total färgskikt 40 mym 80 mym / 120 mym 160 mym